公稱尺寸 |
外徑 |
承插口類型 |
承插口尺寸 |
|||||||
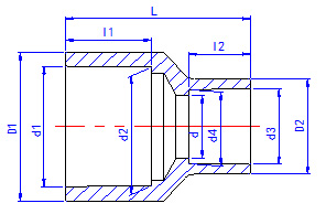
D1 |
D2 |
d1 |
d2 |
I1 |
d3 |
d4 |
I2 |
d |
L |
|
DN20*DN15 |
32.0 |
27.0 |
25.3 |
25.1 |
20.0 |
20.3 |
20.1 |
16.0 |
16.0 |
44.0 |
DN25*DN15 |
40.0 |
27.0 |
32.3 |
32.1 |
24.0 |
20.3 |
20.1 |
16.0 |
16.0 |
52.0 |
DN25*DN20 |
40.0 |
32.0 |
32.3 |
32.1 |
24.0 |
25.3 |
25.1 |
20.0 |
21.0 |
52.0 |
DN32*DN15 |
50.0 |
27.0 |
40.3 |
40.1 |
28.0 |
20.3 |
20.1 |
16.0 |
16.0 |
60.0 |
DN32*DN20 |
50.0 |
32.0 |
40.3 |
40.1 |
28.0 |
25.3 |
25.1 |
20.0 |
21.0 |
60.0 |
DN32*DN25 |
50.0 |
40.0 |
40.3 |
40.1 |
28.0 |
32.3 |
32.1 |
24.0 |
28.0 |
60.0 |
DN40*DN15 |
63.0 |
27.0 |
50.3 |
50.1 |
32.0 |
20.3 |
20.1 |
16.0 |
16.0 |
68.0 |
DN40*DN20 |
63.0 |
32.0 |
50.3 |
50.1 |
32.0 |
25.3 |
25.1 |
20.0 |
21.0 |
68.0 |
DN40*DN25 |
63.0 |
40.0 |
50.3 |
50.1 |
32.0 |
32.3 |
32.1 |
24.0 |
28.0 |
68.0 |
DN40*DN32 |
63.0 |
50.0 |
50.3 |
50.1 |
32.0 |
40.3 |
40.1 |
28.0 |
36.0 |
68.0 |
DN50*DN15 |
75.0 |
27.0 |
63.3 |
60.1 |
38.0 |
20.3 |
20.1 |
16.0 |
16.0 |
80.0 |
DN50*DN20 |
75.0 |
32.0 |
63.3 |
60.1 |
38.0 |
25.3 |
25.1 |
20.0 |
21.0 |
80.0 |
DN50*DN25 |
75.0 |
40.0 |
63.3 |
60.1 |
38.0 |
32.3 |
32.1 |
24.0 |
28.0 |
80.0 |
DN50*DN32 |
75.0 |
50.0 |
63.3 |
60.1 |
38.0 |
40.3 |
40.1 |
28.0 |
36.0 |
80.0 |
DN50*DN40 |
75.0 |
63.0 |
63.3 |
60.1 |
38.0 |
50.3 |
50.1 |
32.0 |
46.0 |
80.0 |