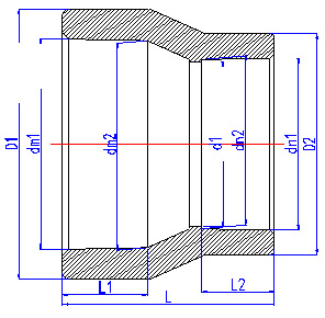
大小頭 (SxS)
尺寸 | 外徑 | 承插口類型 | 承插口尺寸 | |||||||||||
D1 | D2 | dm1 | dm2 | L1 | dn1 | dn2 | L2 | d1 | L | |||||
min | max | min | max | min | max | min | max | |||||||
DN20xDN15 | 33.00 | 26.50 | 23.80 | 24.40 | 23.50 | 24.10 | 16.50 | 19.00 | 19.50 | 18.80 | 19.30 | 15.00 | 17.05 | 38.00 |
DN25xDN20 | 42.20 | 33.00 | 30.70 | 31.30 | 30.40 | 31.00 | 18.60 | 23.80 | 24.40 | 23.50 | 24.10 | 16.50 | 21.80 | 43.10 |
DN25xDN15 | 42.20 | 26.50 | 30.70 | 31.30 | 30.40 | 31.00 | 18.60 | 19.00 | 19.50 | 18.80 | 19.30 | 15.00 | 17.05 | 41.60 |
DN32xDN25 | 53.00 | 42.20 | 38.70 | 39.30 | 38.30 | 38.90 | 21.00 | 30.70 | 31.30 | 30.40 | 31.00 | 18.60 | 28.70 | 49.60 |
DN32xDN20 | 53.00 | 33.00 | 38.70 | 39.30 | 38.30 | 38.90 | 21.00 | 23.80 | 24.40 | 23.50 | 24.10 | 16.50 | 21.80 | 47.50 |
DN32xDN15 | 53.00 | 26.50 | 38.70 | 39.30 | 38.30 | 38.90 | 21.00 | 19.00 | 19.50 | 18.80 | 19.30 | 15.00 | 17.05 | 46.00 |
DN40xDN32 | 66.00 | 53.00 | 48.70 | 49.30 | 48.30 | 48.90 | 24.00 | 38.70 | 39.30 | 38.30 | 38.90 | 21.00 | 36.60 | 58.00 |
DN40xDN25 | 66.00 | 42.20 | 48.70 | 49.30 | 48.30 | 48.90 | 24.00 | 30.70 | 31.30 | 30.40 | 31.00 | 18.60 | 28.70 | 55.60 |
DN40xDN20 | 66.00 | 33.00 | 48.70 | 49.30 | 48.30 | 48.90 | 24.00 | 23.80 | 24.40 | 23.50 | 24.10 | 16.50 | 21.80 | 53.50 |
DN40xDN15 | 66.00 | 26.50 | 48.70 | 49.30 | 48.30 | 48.90 | 24.00 | 19.00 | 19.50 | 18.80 | 19.30 | 15.00 | 17.05 | 52.00 |
DN50xDN40 | 83.50 | 66.00 | 61.60 | 62.20 | 61.10 | 61.70 | 28.00 | 48.70 | 49.30 | 48.30 | 48.90 | 24.00 | 46.60 | 68.50 |
DN50xDN32 | 83.50 | 53.00 | 61.60 | 62.20 | 61.10 | 61.70 | 28.00 | 38.70 | 39.30 | 38.30 | 38.90 | 21.00 | 36.60 | 65.50 |
DN50xDN25 | 83.50 | 42.20 | 61.60 | 62.20 | 61.10 | 61.70 | 28.00 | 30.70 | 31.30 | 30.40 | 31.00 | 18.60 | 28.70 | 63.10 |
DN50xDN20 | 83.50 | 33.00 | 61.60 | 62.20 | 61.10 | 61.70 | 28.00 | 23.80 | 24.40 | 23.50 | 24.10 | 16.50 | 21.80 | 61.00 |
DN50xDN15 | 83.50 | 26.50 | 61.60 | 62.20 | 61.10 | 61.70 | 28.00 | 19.00 | 19.50 | 18.80 | 19.30 | 15.00 | 17.05 | 59.50 |
DN65xDN50 | 95.00 | 83.50 | 73.20 | 74.00 | 71.90 | 72.70 | 31.50 | 61.60 | 62.20 | 61.10 | 61.70 | 28.00 | 59.40 | 78.00 |
DN65xDN40 | 95.00 | 66.00 | 73.20 | 74.00 | 71.90 | 72.70 | 31.50 | 48.70 | 49.30 | 48.30 | 48.90 | 24.00 | 46.60 | 74.00 |
DN65xDN32 | 95.00 | 53.00 | 73.20 | 74.00 | 71.90 | 72.70 | 31.50 | 38.70 | 39.30 | 38.30 | 38.90 | 21.00 | 36.60 | 71.00 |
DN65xDN25 | 95.00 | 42.20 | 73.20 | 74.00 | 71.90 | 72.70 | 31.50 | 30.70 | 31.30 | 30.40 | 31.00 | 18.60 | 28.70 | 68.60 |
DN65xDN20 | 95.00 | 33.00 | 73.20 | 74.00 | 71.90 | 72.70 | 31.50 | 23.80 | 24.40 | 23.50 | 24.10 | 16.50 | 21.80 | 66.50 |
DN65xDN15 | 95.00 | 26.50 | 73.20 | 74.00 | 71.90 | 72.70 | 31.50 | 19.00 | 19.50 | 18.80 | 19.30 | 15.00 | 17.05 | 65.00 |
DN80xDN65 | 113.50 | 95.00 | 87.80 | 88.80 | 86.40 | 87.40 | 36.00 | 73.20 | 74.00 | 71.90 | 72.70 | 31.50 | 70.30 | 90.50 |
DN80xDN50 | 113.50 | 83.50 | 87.80 | 88.80 | 86.40 | 87.40 | 36.00 | 61.60 | 62.20 | 61.10 | 61.70 | 28.00 | 59.40 | 87.00 |
DN80xDN40 | 113.50 | 66.00 | 87.80 | 88.80 | 86.40 | 87.40 | 36.00 | 48.70 | 49.30 | 48.30 | 48.90 | 24.00 | 46.60 | 83.00 |
DN80xDN32 | 113.50 | 53.00 | 87.80 | 88.80 | 86.40 | 87.40 | 36.00 | 38.70 | 39.30 | 38.30 | 38.90 | 21.00 | 36.60 | 80.00 |
DN80xDN25 | 113.50 | 42.20 | 87.80 | 88.80 | 86.40 | 87.40 | 36.00 | 30.70 | 31.30 | 30.40 | 31.00 | 18.60 | 28.70 | 77.60 |
DN80xDN20 | 113.50 | 33.00 | 87.80 | 88.80 | 86.40 | 87.40 | 36.00 | 23.80 | 24.40 | 23.50 | 24.10 | 16.50 | 21.80 | 75.50 |
DN80xDN15 | 113.50 | 26.50 | 87.80 | 88.80 | 86.40 | 87.40 | 36.00 | 19.00 | 19.50 | 18.80 | 19.30 | 15.00 | 17.05 | 74.00 |
DN100xDN80 | 138.50 | 113.50 | 107.30 | 108.50 | 105.80 | 106.80 | 42.00 | 87.80 | 88.80 | 86.40 | 87.40 | 36.00 | 84.90 | 105.00 |
DN100xDN65 | 138.50 | 95.00 | 107.30 | 108.50 | 105.80 | 106.80 | 42.00 | 73.20 | 74.00 | 71.90 | 72.70 | 31.50 | 70.30 | 101.50 |
DN100xDN50 | 138.50 | 83.50 | 107.30 | 108.50 | 105.80 | 106.80 | 42.00 | 61.60 | 62.20 | 61.10 | 61.70 | 28.00 | 59.40 | 98.00 |
DN100xDN40 | 138.50 | 66.00 | 107.30 | 108.50 | 105.80 | 106.80 | 42.00 | 48.70 | 49.30 | 48.30 | 48.90 | 24.00 | 46.60 | 93.00 |
DN100xDN32 | 138.50 | 53.00 | 107.30 | 108.50 | 105.80 | 106.80 | 42.00 | 38.70 | 39.30 | 38.30 | 38.90 | 21.00 | 36.60 | 90.00 |
DN100xDN25 | 138.50 | 42.00 | 107.30 | 108.50 | 105.80 | 106.80 | 42.00 | 30.70 | 31.30 | 30.40 | 31.00 | 18.60 | 28.70 | 87.60 |
DN100xDN20 | 138.50 | 33.00 | 107.30 | 108.50 | 105.80 | 106.80 | 42.00 | 23.80 | 24.40 | 23.50 | 24.10 | 16.50 | 21.80 | 85.50 |
DN100xDN15 | 138.50 | 26.50 | 107.30 | 108.50 | 105.80 | 106.80 | 42.00 | 19.00 | 19.50 | 18.80 | 19.30 | 15.00 | 17.05 |
84.00 |